Vahva kokemus projektityöskentelystä ja kansainvälisistä toimintaympäristöistä näkyy refereissämme. Suurin osa töistä on vientiin menevää projektitoimintaa, mutta myös pienemmät / kotimaan kohteet ovat tuttuja.
Kultakaivos Kazakstanissa
| Työkohde / Loppuasiakas |
Kultakaivos, Vasilgovsky GOK Kazakstanin johtavia kultakaivos yrityksiä. |
| Sijainti |
Köksetau / Kazakstan |
| Tehtävä |
Kuljettimien sähköistyksen sekä ohjauksen käyttöönottoa ja konsultointia. |
| Tekniikkaa |
Pitkien (yli kilometri) kuljettimien erikoisvaatimuksia. Pehmytkäynnistimiä, taajuusmuuttajia. |
Paperin tekoa Bayerissa
| Työkohde / Loppuasiakas |
Paperitehdas, Myllykoski - Plattling Papier |
| Sijainti |
Plattling / Saksa |
| Tehtävä |
Hiomon puunsyöttölaitteiston ohjelmoinnit; PLC + HMI. Valmistuksen valvontaa, asennusvalvonta, käyttöönotto ja koulutus. |
| Tekniikkaa |
Siemens S7, InTouch, SimoCode, Profibus, Profinet. |
Hiilenkuljetusta Hollannissa
| Työkohde / Loppuasiakas |
Hiilisatama, Rietlanden Terminals |
| Sijainti |
Amsterdam / Hollanti |
| Tehtävä |
Hiilikuljetinjärjestelmän ohjelmoinnit; PLC + HMI. Asennusvalvonta, käyttöönotto ja koulutus. |
| Tekniikkaa |
Siemens S7, HMI Touch panel, pehmytkäynnistimiä. |
Puunkäsittelyä Permissä
| Työkohde / Loppuasiakas |
Kama paper mill, Krasnokamsk |
| Sijainti |
Perm / Venäjä |
| Tehtävä |
Puunkäsittelyn ohjelmoinnit; PCS 7, PLC + HMI. Asennusvalvonta, käyttöönotto ja koulutus. |
| Tekniikkaa |
Siemens PCS 7, Profibus, Profinet, taajuusmuuttajat. |
Wanhempien Väylien Viilausta
| Työkohde / Loppuasiakas |
Keramiikkatehdas, Pentik Oy |
| Sijainti |
Posio / Suomi |
| Tehtävä |
Vanhentuvien taajuusmuuttajien päivittäminen nykyaikaisiksi Siemens S5 + SEW väylien yhteensovitus, parametrointi, testaukset. |
| Tekniikkaa |
Profibus liikennöinti, ikääntyvien laitteiden ohjelmointia. |
Lastulevyä lähinaapurissa
| Työkohde / Loppuasiakas |
Ugra-plit, Sovetski |
| Sijainti |
Khanti-Mansk / Venäjä |
| Tehtävä |
Lastulevylinjan osaprosessien ohjelmoinitia; PLC + HMI. |
| Tekniikkaa |
Siemens S7, Wonderware/InTouch. |
Kivenkäsittelyä kotimaassa
| Työkohde / Loppuasiakas |
Nikkelikaivos, Talvivaara |
| Sijainti |
Sotkamo / Suomi |
| Tehtävä |
Malminkäsittelylaitteiston osuus; kuljetus, murskaus, seulonta. Sähköistyksen ja ohjauksen lähtötietojen tekoa laitetoimittajan puolelta. Asennusvalvontaa, käyttöönottoa. |
| Tekniikkaa |
Metso DNA, Järeiden kuljettimien ja laitteistojen erikoisvaatimuksia. |
Kallionmurskausta Karjalassa
| Työkohde / Loppuasiakas |
Kallionmurskauslaitos, OOO Progress |
| Sijainti |
Karjala / Venäjä |
| Tehtävä |
Sähköistyksen ja ohjausjärjestelmän suunnittelu ja dokumentointi. Murskauslaitoksen ja junanlastauksen ohjelmointi; PLC + HMI. |
| Tekniikkaa |
Siemens S7 (Safety, SCL), WinCC flexible, liitynnät toisiin valvomojärjestelmiin, kilometreittäin kulljettimia, kymmeniä taajuusmuuttajia, paljon pehmytkäynnistimiä, useita keskuksia. Junanlastauksen kehitystä. |
Automaatiota Afrikkaan
| Työkohde / Loppuasiakas |
Rautakaivos, Guelb El Rhein |
| Sijainti |
Mauritania / Länsi Afrikka |
| Tehtävä |
Prosessilaitteiden sähköistyksen ja ohjausjärjestelmän perus- sekä detaljisuunnittelua ja lähtötietojen tekoa. |
| Tekniikkaa |
ISA standardit, PI-kaaviot. |
Keskuksia, kaappeja, koteloita
| Työkohde / Loppuasiakas |
Keskusvalmistajat, Laitevalmistajat, Konepaja |
| Sijainti |
Suomi |
| Tehtävä |
Keskusten ja koteloiden suunnittelua. Piirikaavioita, rakennesuunnittelua, osaluetteloita. Sähköistyksen ja ohjauksen tuotekehitystä. |
| Tekniikkaa |
Moottorikeskuksia, suuria taajuusmuuttajia, erikoiskeskuksia, ohjauskoteloita |
Annostelua ammattilaisille
| Työkohde / Loppuasiakas |
Laitevalmistaja / useita |
| Sijainti |
Suomi, Norja, Baltia |
| Tehtävä |
Sähköistyksen ja ohjausjärjestelmien kokonaissuunnittelua ja dokumentointia. PLC + HMI ohjelmointia ja käyttöönottoja. |
| Tekniikkaa |
Siemens S7, WinCC flexible, Siwarex punnituksia. |
Kuljetinjärjestelmää Keski-Aasiaan
| Työkohde / Loppuasiakas |
South Yoloten Gas Field Development Project, Turkmengas |
| Sijainti |
Mary, Turkmenistan |
| Tehtävä |
Rikkipellettien käsittelylaitteiston (kuljetus, varastointi, kasanpurkaus, junanlastaus) ohjausjärjestelmän suunnittelua ja dokumentointia. PLC + HMI ohjelmointia. Dokumentointi englanti / venäjä. Asennusvalvontaa, käyttöönottoa, koulutusta |
| Tekniikkaa |
Siemens S7 (F-system/CFC, H-Redundant, SCL, Graph), Simocode, Siwarex punnitusta, WinCC flexible, liitynnät toisiin valvomojärjestelmiin, (WinCC + Honeywell, Modbus), taajuusmuuttajia, useita keskuksia. Junanlastausta, raportointia. |
Kaasua Kaspianmereltä, rikkiä rautateille
| Työkohde / Loppuasiakas |
Eskene West Rail Project, North Caspian Operating Company |
| Sijainti |
Atyrau Region, Kazakstan |
| Tehtävä |
Rikkipellettien käsittely.Junan lastaus- / annostelulaitteiston ohjausjärjestelmän suunnittelu ja dokumentointi. PLC + HMI ohjelmointia. Dokumentointi englanti / venäjä. Asennusvalvontaa, käyttöönottoa, koulutusta |
| Tekniikkaa |
Siemens S7-400 (H-Redundant, SCL, Graph), Simocode, Siwarex FTA punnitusta, WinCC flexible, liityntä valvomojärjestelmään, (Honeywell, Modbus TCP/IP). Junanlastaus - annostusprosessi, raportointia |
Projektien pyörittämistä
| Työkohde / Loppuasiakas |
Käyttötekniikan laite- ja sovellustoimittaja |
| Sijainti |
Suomi |
| Tehtävä |
Projektitoiminnan kehitystyötä asiakkaalle. Pienten ja suurempien hankkeiden ja projektien vastuullista vetoa; aikataulutusta, hankintoja, projektirutiineja |
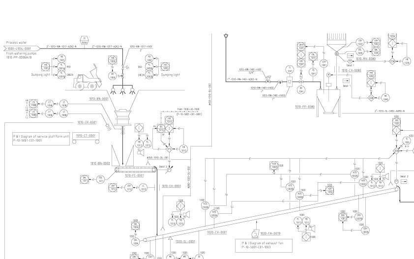
Kaavioita koneenrakentajille
| Työkohde / Loppuasiakas |
Biotuotetehtaan kenttäalue |
| Sijainti |
Suomi |
| Tehtävä |
Allen-Bradley + FactoryTalk sovellusten muuntamista ja soveltamista Siemens COMOS toimintakaavioiksi suurelle erikoislaitteelle |